振动筛12年生产厂家
过滤,除杂,分级

3500-38000元/台
100kg/h处理量:
<10mm入料粒度:
380V电压:
特点:体积小巧,移动方便,筛分能力强可当作过滤设备来用,精度提高80%,产量提高2~5倍
适用:筛分细至500目或0.028mm粉末、颗粒,液体物料过滤可至5微米
选型要点
按材质分:碳钢,不锈钢(食品,医药行业专用),塑料(耐强酸,强碱腐蚀)
按不同行业分:普通型,闸门型(控制物料筛分时间),加缘型(防止液体物料飞溅),超声波型(防止物料聚团堵塞)

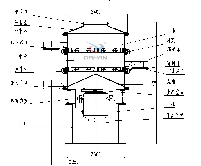
该机为直径400mm两层三出口的小型振动筛,子母网分离式网架,与物料接触部分为304不锈钢,底座为碳钢材质,外部喷塑处理。适合各种粉料和浆液小批量的生产使用,该机体积小方便移动。






| 型 号 | 直径mm | 筛网面积m | 筛网规格(目) | 进料粒度mm | 振次rpm | 有效筛面直mm | 层数 | 功率Kw | 处理量kg/h |
| DH-400 | Φ400 | 0.24 | 2-500 | <Φ10 | 1500 | Φ350 | 1-5 | 0.18 | 100 |
振动筛由直立式振动电机佰利乐作为激振源,电机上、下两端安装有偏心重锤,将电机的旋转运动转变为水平、垂直、倾斜的三次元运动,再把这个运动传递给筛面进行筛分。调节上、下两端的相位角,可以改变物料在筛面上的运动轨迹。



佰利乐☆ 效率高、设计精巧耐用,粉类、粘液均可筛分。
☆ 换网容易、操作简单、清洗方便。
☆ 网孔不堵塞、粉末不飞扬、可筛至400目或0.028mm。
☆ 杂质、粗料自动排出,可以连续作业。
化工行业:树脂、涂料、工业药品、化妆品、油漆、中药粉等。
佰利乐食品行业:糖粉、淀粉、食盐、米粉、奶粉、豆浆、蛋粉、酱油、果汁等。
佰利乐金属、冶金矿业:铝粉、铅粉、铜粉、矿石、合金粉、焊条粉末、二氧化锰、电解铜粉、电磁性材料、研磨粉、耐火材料、高岭土、石灰、氧化铝、重质碳酸钙、石英砂等。
佰利乐公害处理:废油、废水、染整废水、助剂、活性碳等。
Copyright © 2007-2019 振动筛厂家-新乡市大汉振动机械有限公司 | All Rights Reserved 版权所有
备案序号: