振动筛12年生产厂家
过滤,除杂,分级

450-1750元/台
10-1500kw振动力:
0.08-0.45kw功率:
3000次/分振动频率:
佰利乐产品特点:具有体积小、重量轻、结构简单、耗电量低和维修量小
佰利乐适用行业:应用于矿山、冶金、化工、建材、机械等各行业中
选型要点——
按照激力不同:惯性式电动式,电磁式,电液式,气动式和液压式等。
根据额定功率:功率0.12kw—料仓壁厚3.2-4.5mm,功率0.22kw—料仓壁厚4.5-6mm, 功率0.37kw—料仓壁厚6-8mm,功率0.75kw—料仓壁厚8-10mm,功率1.1kw—料仓壁厚10-13mm(功率不同,所适用的料仓溜槽壁厚也不同)

电磁仓壁振动器是靠高频振动和冲击力,有效地消除物料由于内摩擦、潮解、带电、成分偏析等原因而引起的堵塞、搭拱现象,使物料从料仓口顺利排出,保证稳定地供料所必需的设备。CZ型仓壁振动器已广泛地应用于矿山、冶金、化工、建材、机械等各行业中。



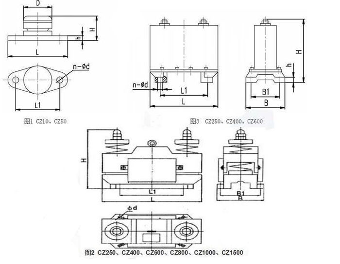
佰利乐CZ型电磁仓壁振动器具有体积小、重量轻、结构简单、耗电量低和维修量小的特点。仓壁振动器由振动体、共振弹簧、电磁铁、底座等部件组成。有CZ10型、CZ50型、CZ100型、CZ250型、CZ600型、CZ1000型。振动力:10~1000。功率:0.008~0.2kw。
佰利乐外型尺寸如图:图(2)为CZ250、CZ400、CZ600、CZ800、CZ1000型螺旋弹簧仓振器,图(1)为CZ10型、CZ50、CZ100型为环氧板簧仓振器。


| 型号 | 振动力(kg) | 功率(kw) | 工作电压(V) | 工作电流(A) | 振动频率(次/分) | 振动体幅度(mm) | 适用仓壁厚度(mm) |
| CZ10 | 10 | 0.008 | 220 | 0.11 | 3000 | 1.5 | 0.6-0.8 |
| CZ50 | 50 | 0.03 | 1.1 | 1.5 | 1.2-1.6 | ||
| CZ100 | 100 | 0.06 | 1.0 | 1.5 | 2.5-3.2 | ||
| CZ250 (CZ200) |
250 | 0.1 | 1.6 | 2 | 1.0-4.0 | ||
| CZ600 (CZ400) |
600 | 0.15 | 2.3 | 2 | 3.0-8.0 | ||
| CZ1000 (CZ800) |
1000 | 0.2 | 3.8 | 2 | 6.0-14 | ||
| CZ1500 | 1500 | 0.45 | 7.0 | 2 | 6.0-14 |

电磁仓壁振动器可用于各种振动机械,如给料机,小型输送机,振动筛,振动平台及仓壁振动等等场合,使用灵活方便。振动强度可用控制器随意调节。


Copyright © 2007-2019 振动筛厂家-新乡市大汉振动机械有限公司 | All Rights Reserved 版权所有
备案序号: