佰利乐

您的位置:首页 > 产品中心 > 三次元振动筛
Φ1200型振动筛

Φ1200型振动筛

产品类别:三次元振动筛

佰利乐产品简介:Φ1200型振动筛为1200mm直径一层两出口标准旋振筛,上半部为碳钢材质,底座也为碳钢材质。子母网分离式网架,底座为碳钢材质。 1200型旋振筛价格是根据层数而定的,不同的层数价格是不一样的,另外也可以特殊定做!

全国统一销售热线 0373-2682 333

免费获取报价

产品介绍

佰利乐 

  一、Φ1200型振动筛概述:

  Φ1200型振动筛为1200mm直径一层两出口标准旋振筛,上半部为碳钢材质,底座也为碳钢材质。子母网分离式网架,底座为碳钢材质。 1200型旋振筛价格是根据层数而定的,不同的层数价格是不一样的,另外也可以特殊定做!



Φ1200型振动筛

 

  二、Φ1200型振动筛的工作原理:

  由直立式振动电机作为激振源,电机上、下两端安装有偏心重锤,将电机的旋转运动转变为水平、垂直、倾斜的三次元运动,再把这个运动传递给筛面。调节上、下两端的相位角,可以改变物料在筛面上的运动轨迹。

振动筛分机工作原理图


  三、Φ1200型振动筛细节展示:

Φ1000型振动筛


  四、Φ1200型振动筛的特点:

Φ1000型振动筛特点

佰利乐   ☆ 效率高、设计精巧耐用,任何粉类、粘液均可筛分。

  ☆ 换网容易、操作简单、清洗方便。

佰利乐   ☆ 网孔不堵塞、粉末不飞扬、可筛至400目或0.028mm。

佰利乐   ☆ 杂质、粗料自动排出,可以连续作业。


  五、Φ1200型振动筛使用的行业:

佰利乐   化工行业:树脂、涂料、工业药品、化妆品、油漆、中药粉等。

  食品行业:糖粉、淀粉、食盐、米粉、奶粉、豆浆、蛋粉、酱油、果汁等。

佰利乐   金属、冶金矿业:铝粉、铅粉、铜粉、矿石、合金粉、焊条粉末、二氧化锰、电解铜粉、电磁性材料、研磨粉、耐火材料、高岭土、石灰、氧化铝、重质碳酸钙、石英砂等。

佰利乐   公害处理:废油、废水、染整废水、助剂、活性碳等。

Φ1000型振动筛适用行业

 

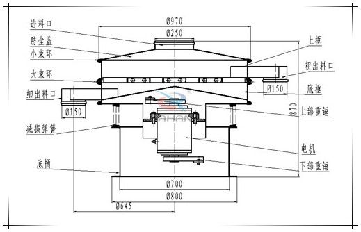
  六、“大汉”碳钢振动筛分机一般结构图与尺寸表:

Φ1200型振动筛结构

型 号

DH-600

DH-800

DH-1000

DH-1200

DH-1500

DH-1800

DH-2000

直径mm

Φ600

佰利乐 Φ800

佰利乐 Φ1000

Φ1200

佰利乐 Φ1500

Φ1800

Φ2000

筛网面积m

0.24

0.45

0.67

1.0

佰利乐 1.6

2.43

3.01

筛网规格(目)

2-500

进料粒度mm

佰利乐 <Φ10

佰利乐 <Φ15

<Φ20

佰利乐 <Φ30

佰利乐 振次rpm

1500

1500

1500

1500

佰利乐 1500

1500

1500

佰利乐 有效筛面直mm

Φ560

Φ760

Φ930

佰利乐 Φ1130

Φ1430

佰利乐 Φ1760

Φ1960

佰利乐 层数

佰利乐 1-5

佰利乐 功率Kw

佰利乐 0.25

0.55

0.75

佰利乐 1.1

1.5

佰利乐 2.2

佰利乐 3

  7、“大汉”碳钢振动筛分机的安装与调试:

  (一)设备应有稳定的基础。当设备安装于一般地面或水泥基础上时,可以不设置地脚螺栓。当设备安装于钢结构架台之上时,应用螺栓紧固于结构体上,而且钢结构架台应有一定的钢度。

佰利乐   本机只需三相开关一只(备注:好使用电气控制盘),用蛇皮管穿线,将电机接至电源即可,注意电气控制盘应悬挂安装于墙上。

佰利乐   (二)设备出厂前已将筛网装妥,使用过程中的筛网更换可自己更换。

  (三)开机前,应先检查各压紧螺栓的紧固程度,及各料口的位置是否与接料器对正,并观察振动电机是否能正常转动及弹簧受力有无阻碍,检查各层筛网是否压紧。

佰利乐   (四)当旋振筛接入电气控制盘之前,应首先对电气控制盘进行检查。线路接通后观察振动电机旋转方向是否是顺时针方向, (备注:否则应改变相序)运转是否正常,有无异噪声。

  (五)调节振动电机上下偏心块的相位角,以适应各种物料筛分情况。

 

  售后服务:

佰利乐   1.保修期内非因操作不当造成需要更换的零配件及设备由我厂负责包修、包换。

佰利乐   2.质量保证期结束后,我厂将继续免费提供售后服务,不限年份终身服务,仅收取零部件成本费,免收人工费,免收维修费。

  服务承诺:

  为了向您提供完善的售后服务,请将您的宝贵意见、建议及要求反馈给我厂。我们感谢贵单位使用我厂的产品,我厂建立有完整的营销网络及完善的售后服务体系,售后服务部已将您购买的产品建立了信息档案。如果您购买的产品出现质量问题,我们将及时为您提供全方位的服务。

 

『组织机构』 - 『企业文化』 - 『资质荣誉』 - 『联系我们』 - 『企业博客』豫公网安备 41070302000224号

振动筛厂家 -新乡振动筛 -直线振动筛 -气流筛 -标准试验筛 -超声波振动筛 -卧式气流筛 Xmlmap Htmlmap

Copyright © 2007-2015 新乡市大汉振动机械有限公司 | All Rights Reserved 备案序号:

企业法人营业执照(注册号):914107036780823532

工商注册电子标示 可信网站 360安全检测 网络警察电子标示

彩运网888 - 首页 富彩vip登录|首页 U9彩票799cc-u9彩票799绿色-绿色U9彩票旧版-u9彩票799手机版 2468彩票网 9759彩集团 - 首页 新币彩票|登录 650彩票-追求健康,你我一起成长 彩运网888 - 首页