
产品类别:三次元振动筛
产品简介:振动筛厂家大汉机械设计的此款1500型振动筛接触物料部分以及防尘盖均为304不锈钢材质,底座部分为Q235碳钢材质,现已适用于石英砂的多层筛分,筛分产量大,筛分效率高,非常适合较大产量的石英砂筛分。
全国统一销售热线
免费获取报价
振动筛厂家大汉机械设计的此款1500型振动筛接触物料部分以及防尘盖均为304不锈钢材质,底座部分为Q235碳钢材质,现已适用于石英砂的多层筛分,筛分产量大,筛分效率高,非常适合较大产量的石英砂筛分。
佰利乐
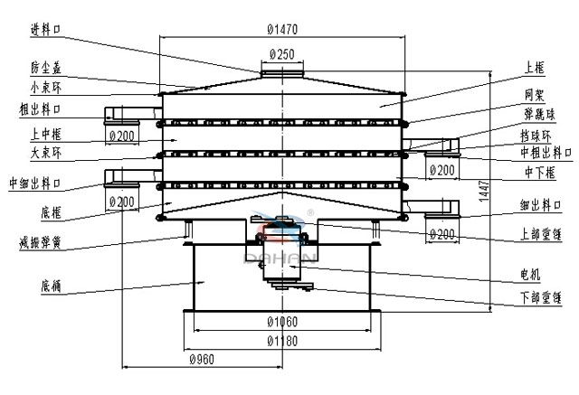
1500三层振动筛结构图和参数:
1500型振动筛的工作原理:
振动筛由直立式振动电机作为激振源,电机上、下两端安装有偏心重锤,将电机的旋转运动转变为水平、垂直、倾斜的三次元运动,再把这个运动传递给筛面进行筛分。调节上、下两端的相位角,可以改变物料在筛面上的运动轨迹。
通过改变振动电机的上下2块偏心块的夹角和质量,振动电机即可带动设备产生不同大小的振动力,从而改变水平或垂直方向的振动幅度,进而改变筛分的流量和效率。
0度 35度 65度 90度
(对原料进行粗筛分) (用于大多数原料筛分) (用于精细原料的筛分) (特殊用途)
1500型三层振动筛使用行业:
新乡振动筛大汉机械可根据客户需求设计特殊型号,无论物料是干是湿,是精细是粗糙,是比重大是比重轻,0-400目都可以筛选,不管是液态,还是浆状的0-600目都可以过滤。大汉振动筛系列产品同时配备专门的筛网清理装置,把堵网率降到低,过网率和处理精度得以有效提高。





